このHPは、電子工作のアナログ回路を中心に、いろいろな電子部品の使い方を楽しんでもらうためのヒントになるような電子部品を使ってみた記事を書いています。
ここで取り上げているバータイプのLEDは、本来はデジタル回路で使うもので、レベルメータなどの表示に使われています。
ここでは、それをアナログ回路で使おうと試しています。
もちろん、デジタル回路のような多彩な使い方は無理ですから、ここでは、7セグLED(→こちら)で取り上げたのと同じように、1つずつのバーを光らせる程度のですが、逆に、バーLEDの代わりに、面発光のLEDを数個を点灯させるのも同じなので、アナログ的な使い方ができれば、使う範囲も広がり、面白い使い方も生まれるかもしれません。
面発光のLEDをつないでも面白そう
それもあって、ここでも、デジタル部品をあわせて使う方法も紹介しています。 もちろん、アナログ中心のHPの範囲をはみ出ますが、ともかく、何かのヒントになればと思って紹介します。
ここで使用するバータイプLED

ここでは、10バーのOSX10201-GYR1と5バーのOSX05201-GGR1を使います。
バーのピン番号に通電するとLEDが点灯します
10バーLEDと5バーLEDのピンNoです。 通電すれば、そのバーが点灯します。

LEDの左下に小さな切り欠きがあり、それでピンの位置がわかります。
それぞれのLEDセグメントが独立していますので、たとえば、アナログ的な使い方では、下の写真のように、それぞれに電流制限抵抗(ここでは220Ω使用)をつけて通電すれば、位置や順番を表示させる「表示器」として使用できます。
下は、赤いピンを挿した位置のLEDが点灯している状況です。

これらのバーLEDは、下のように、全部を点灯させると、バーの色が決まっています。
本来は、「レベルメーター」のような用途向けのLEDですから、アナログ的な使い方は限定されるのはしかたありませんから、ここでは、アナログにこだわらないで、使っていきましょう。

ここでは、10バーLEDを点滅させる出力制御ICを使ってみましょう
上のように、アナログ的な使い方では、簡単な「表示器」としての使い方しか出来ませんので、すこしデジタル的な使い方を取り入れて、 ①制御IC(DCT7350-0)を使った連続点灯 ②レベルメータ用IC(LA2284A)を使ったレベル表示などの使い方を見てみましょう。
このICは、車やバイクで、ブレーキランプやウインカーが順に点灯したり、変な動きで点滅しているのを見たことがある方も多いと思いますが、これらは、「出力制御IC」と呼ばれるものを使って、そのような点滅動作をさせています。
ここでは、CDT7350-0 というICを使います。
このICのデータシートは中国語で書かれていて、Google翻訳を利用しながら読んでみますと、「このICは自動車のブレーキランプ用に使われており、ブレーキを踏むと、色んなパターンでブレーキランプを点灯させる」… とあります。
そこで、ここでは、ウインカーランプの代わりに、この10バーLEDを使ってみましょう。
データシートには、「12V(2から15V)で、ボリュームを使って点滅速度を変えることができる … 」とあります。
そこで、データシートに掲載された回路を、私の手持ち部品(一般的に入手できる部品)が使えるように、回路の一部を書き換えて動作を確認してみました。

この回路をブレッドボードに組み付けて動作させました

「CDT7350-0」のデータシートによれば、点滅動作は、(1)フラッシュ (2)全点灯 (3)全点滅 (4)前後にフラッシュ (5)連続点灯 ができる … とあります。
そこで、回路図に示す ①~④ のスイッチの1つずつを ON-OFF すると、 ①順番に点灯し往復移動 ②全点灯 ③L1のみ点灯 ④全灯が点滅 の4パターンで点灯します。
このとき、スイッチを2つ以上を同時にONにすると、正しく作動しませんので注意ください。
この回路でアレンジできる部分としては、回路中の 1MΩと0.001μF を変えると動作周期が変わります。
この 1MΩ を大きくすると周期が長くなります。
ただ、このブレッドボードの回路のためでしょうか、①の点滅移動では、1灯ずつ移動する場合と2灯ずつ移動する場合がでてくるなどの誤動作をします。
これは多分、スイッチノイズが原因と思われ、安定した動作をしてくれません。
ブレッドボードに組んだだけなので、他の原因もあるかもしれませんし、また、ノイズ対策をするとなると大変なので、ここではICを使って、バーLEDが点滅する … ということだけをみて、これ以上の深入りはしないで終わりにします。
このような使い方もできる … というところを見ておいてください。
①の点灯移動と④の全点滅の様子をユーチューブに上げておきますので興味ある方はご覧ください。(→こちら)
もちろん、デジタル的には、Aruduinoなどのワンボードマイコンなどを使ってスイッチングさせると、もっと多彩なことができそうですし、ICにある「MODEピン」を使って点灯を変化させる使い方もあるようです。
ただ、こうなると完全に「デジタルの分野」ですので、ここでは、データシートにある回路の基本的な紹介に留めます。
次の5バーLEDも同様で、最初に示した特定のセグメントを点灯させる以外は、アナログ的な使い方ができそうにないので、ここでも、デジタルIC使う例を紹介します。
![]() |
|
新品価格 |
![]()
レベルメータICを使って5バーLEDを点灯させる
ここでは、レベルメーター用のIC「LA2284A」を使います。
このICも、デジタル的に使うものです。
そして、レベルメータ用ICも販売されています。
10バーのレベルメーター用ICには、DCT7350-0(出力制御用IC)やLM3914N-1(10ポイントリニアスケールレベルメータIC)などがあります。
また、5バーLED用にはLA2284A というICなどが販売されています。
これと10バーLEDなどと一緒に使えば、例えば、アナログの音量レベルにあわせて、バーが点灯して、レベルを表示させることなどができそうです。
アナログ計器で、可動線輪型のレベルメーターを使う例はよくありますが、これではスマートさに欠けますね。
アナログのレベルメーターは、下のAmazonの商品を見ると結構高価ですが、バーLEDを使えば、(表示はラフですが)かなり安価な費用で、かっこいいレベルメーターを作ることができそうです。(もちろん、普通に販売されているバーLEDは10バー程度までですから、かっこいいまではいかないかもしれませんが…)
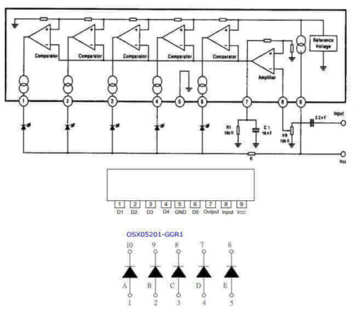
LA2284Aは電圧を5段階に分割するIC
ここで取り上げるLA2284Aは、下の回路図のように、INPUT端子に入るアナログ電圧信号のレベル(電圧の大きさ)を5段階に振り分けて表示させるICです。
アナログでは、電圧計の針を振らせるだけになってしまうものを、デジタルで、視覚的に見やすくしているのは、アナログにはない面白さです。
現在のオーディオ分野などでも、デジタル・アナログが融合されていますので、このような使い方にも慣れていくと、デジタルに対する抵抗もなくなるかもしれません。
もちろん、単純に、スイッチを使って5バーLEDの1つのバーだけを表示するようなアナログ的な使い方もできますから、デジタル部品だと思って敬遠しないでください。
下の写真のようなICです。

下は、データシートにある回路図と結線図です。

ここにある「コンパレーター」とは「電圧判定器」のようなものと考えておきましょう。
私のこちらの記事でも、コンパレータの考え方使い方を紹介していますが、例えば、2.5Vよりも電圧が高いか低いか … を判定して、電圧がそれ以上に高いと、スイッチをONにする … などの使い方はデジタル回路の基本ようです。
たとえば、電池の電圧が規定値以下に下がったら充電を促す場合などにも、このコンパレータ機能のある専用の部品がたくさんあって、このような考え方で動作させるアナログ回路の例は少ないのですが、デジタル部品では、ヴォルテージディテクターやリセットICなどの多くの部品が、色々な用途に使われています。(私の記事でも少しですが取り上げています。ここでは詳しい内容は割愛します)
このレベルメータICも、データシートの回路図を見ると、「INPUT」から入った交流入力電圧をコンパレータで仕分けして、レベルに応じてLEDを光らせている … という回路になっています。

もしも音量の大きさをレベル表示をしようとすると、適当な「交流音源」があればいいですし、直接に電圧を加えても仕分け機能が使用できます。
そこで次に、使用例をみてみます。
音楽に合わせてLEDが光る回路の例
ここでは、下のような電子オルゴール(→こちら と →こちらの記事)をつないで、その音楽に合わせてLEDが光るような回路を考えてみました。
それが以下の回路です。

(注1)ここでは 電子オルゴールIC UM66T の作動電圧がMax4.5Vで、その他は通常の5Vで問題ないので、ここでは、注1の枠内(2点鎖線)に示すように、電圧を下げて「UM66T」電圧を適合させています。
回路をみても、電流が小さいので、大きな音は出せません。
この回路をブレッドボードに回路を組んでみました

5バーLEDが音入力で点灯します

音源が電子オルゴールなので、音の大小の差があまりないので、適当ではありませんが、音に合わせて点灯するのがわかります。
そこで、人間の声で点灯させようと、次のような回路を考えました。
マイクに入る音量で、LEDが順次点灯する回路の例
簡単なミニアンプ(→こちらの記事で製作)を使って、声の大きさでバーICが順次に点灯するような使い方を試してみました。
下のような回路のスピーカ部分から上の5バーLEDの回路につなぎます。
1つ上の図にある「INPUT端子」と、この図の「INPUT端子へ」と書いた部分をつないで、上の図の「UT66T」の部分と入れ替えれば、マイクの音に合わせて、バーが点滅します。

結果は、結構いい具合に作動します。
ここでの回路は、「とりあえず作ってみた」というもので、いろいろ見直すところもありますが、このように、レベルメーター部分の回路の取付部品も少なですし、部品も安価ですので、時間があるときに、「あるレベルの音が入ってくると、ベルを鳴らしたり、ライトをつけたり … 」というような回路を付け加えるなどで遊んでみるのも面白いでしょう。
参考に、秋月電子さんで購入した参考金額を示しておきます。随所で書いていますが、電子部品は思っているほど高いものではありません。回路を見て、部品を洗い出しておいて、まとめて購入するようにすれば、送料も気になりません。時間が経っているので、金額は少し値上がりはあるでしょうが、そんなに高くなっていないでしょう。これだけで結構遊べますよ。



