このHPでは、アナログで直流低電圧のものが主体ですが、デジタルICと呼ばれるものでも、アナログ感覚で使えないかということで取り上げてみました。
LEDを流れるように次々と点滅させる使い方をする、10進カウンタICやシフトレジスタICは、デジタルICに分類されますが、動作をデジタル機器ではなくて、アナログ回路で使えるかどうかを試しています。
これらは安価で、ICですので、付帯部品も少なくて使えることも利点です。
例えば、「10進カウンタIC」は、スイッチを押すごとに並んだLEDを順番に点灯させる用途に使えそうですし、「シフトレジスタIC」は、スイッチを押すと、自動的にLEDを順番に点灯させることに使えそうなので、オペアンプやタイマーICと同列で考えてみようと思います。
最近の乗用車の方向指示器で、順に光が流れるような動作は、このようなICを使っています。
ここでは、ともかく、デジタルICをつかってみようという試みです。
【おことわり】ここでは、ブレッドボードに組んだテスト的な回路で動作させているために、動かしてみると、機械的なスイッチをON-OFFさせる時の「チャタリング」(接触不良などで何回もスイッチが押された状態になる)による誤動作や、手を近づけるだけで、容量変化で点滅動作が開始する … などの、デジタルであれば起きないような不具合が起こっています。 これについては、対策をしていけばある程度は除去できるかもしれませんが、ここではその対策などは割愛してあり、ともかく、「使ってみた」というチャレンジとして紹介していますのでご了承下さい。 なお、この記事は専門的で正確なものではなく、気軽にICを使うためのヒントにしていただくものですので、そのつもりでお読みください。
![]() |
|
新品価格 |
![]()
10進カウンタIC: TC4017BP

「10進カウンタIC」でWEB検索すると、このTC4017の記事が多く出てきます。
ここで使用しているのは、東芝製の16ピンのICで、3~18Vの電源で使用できる、安価で気軽に使えるICです。
同様のICには、「10進ジョンソンカウンタ」と呼ばれるものや、その他の型番のものもありますが、型番内に「4017」という数字があれば、同様の使い方ができそうです。
まず、データシートをみて、この記事のような電子工作に使えるかどうかを確認して、使えそうなら購入するようにするといいでしょうし、高価なものではないので、購入してからデータシートを見てから使い方を考えてもいいと思います。。
ここでは、TC4017BPを使ってみた例の紹介です。
このICのNo.16ピン(VDD)は+電源で、ここではいつもこのHPで使う「5Vの電源」を使って、16番ピンには+5V、No.8ピンのVssには、-側のGND(0V)にして動かします。
動作は、No.14ピンの「CLOCK」にパルス電圧を加えると、Q0からQ9まで、順次にVDDが出力される … というICです。
「パルス」は、短いON-OFF入力ですので、まず最初に、手動でスイッチを使って、どのような動作をするのかをみた上で、その後に、タイマーICを使って連続的なパルス電圧を入力して動作させてみることにします。
TC4017BPを使った回路の一例
下の図はLEDを点灯させてみよう … という回路の例です。
パルス入力ピン(No.14)につながる「順送りスイッチ(CLOCKへの電圧入力)」を押すとLED1→LED2→ … と順次にLEDが点灯します。
リセットスイッチ(ブレーク接点=B接点)を押すと、LED1に戻って動作を繰り返します。
No.14ピンへは、電流制限抵抗に1kΩの抵抗を入れています。 この1kΩがなくても、ICの内部抵抗が高いので、問題ないはずですが、安全対策のために入れています。
また、No.12ピンはLEDの数を増やす場合に使用するピンのようで、同じICを後につなげて、その16番ピンにつないで、1~7と9から11にLEDをつなぐと、2倍の合計20個のLEDが順に点灯します。
これについては、ICがなかったので、これは確認していませんが、方向指示用の車のサイドランプが順次に点灯する仕組みなどは、このような考え方で設計されていると思うのですが、今回は10個の点灯なので、この12番ピンは使いません。

ブレッドボードに回路を組みました

ここでは試験回路なので、普通タイプの2V用LEDを1個ずつ順番に点灯させているだけです。
ここで考える回路は最も単純になるように、順送りスイッチを押すとLEDが順番に光るという回路にしています。
点灯が10番目のLEDまで進むと、はじめのLEDに戻ります。 リセットスイッチが押されると、1番目のLEDに戻ります。
ただ、機械的なスイッチを使っているので、どうしてもスイッチ内で目に見えないチャタリングが起こっているようで、LEDの順番が飛んでしまうことが起こります。
チャタリングは根本的な対策は難しいのですが、スイッチに0.1μFなどのコンデンサを並列につなぐか、スイッチの種類を変える … などを試してみるといいのですが、ここでは何も対策していません。
完全なチャタリング対策としては、機械的なスイッチを使わないようにすることが有効ですので、方法はデジタル的な使い方になってしまうのですが、以下に、タイマーICを使った発振でパルスを出して、一定時間ごとに次々に点灯することを試しています。
本来は、このような方法が、このICの標準的な使い方です。
つまり、No.14ピンのCLOCKに「タイマーIC」から一定の間隔でパルスを送る方法にすれば、きっちりと順送りに点灯してくれるようになるはずですので、この仕組みを、タイマーIC「NE555P」を使って試してみましょう。
タイマーIC NE555P を使う
このICについてはこちらの記事で取り上げています。
8ピンのICで、NE555Pのデータシートには下のように、ON-OFF時間、周波数、ディーティー比などが計算できることが示されており、価格も安くて、いろいろなタイプが製造されています。
型番に「555」とあれば、同じようなものとして使えます。 私は、TTL(バイポーラ仕様)で、安価ですし、ラフに使えるので、このNE555P を多用しています。
以下のように、データシートには、発振周期などが示されています。

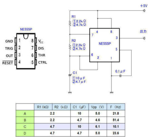
今回は下のような回路にして、そのCとRを各2種類にして、オシロスコープを使って周期を実測してみると、下表のようになりました。

Vppは出力電圧で、Fは発振周波数です。
このAの組み合わせに対して上のデータシートの計算式から周波数fを計算すると、21.8と計算されて実測値と合っていますので、タイマー時間は、計算式で計算すれば、希望の時間で自由に点灯することができます。
CR部品の値を大きく変えると方形波の波形が崩れますが、スイッチのために利用するだけなら、これで特に問題ありませんでした。
数十Hzでは速すぎる感じがしますので、R1・R2の値を大きくして周波数が1Hz前後にすれば手動でスイッチを押した場合と同様の感じになります。
例えば、1秒間隔にしたいのであれば、計算式の 1=0.693x3Rx10μ から、R1=48kΩ、R2=24kΩにすればいいということになります。
手元にある R1=20kΩ、R2=48kΩ、C1=10μF を使って、その発振周期を実測すると、約0.6秒 の周期でしたので、この出力(No.3ピン)を上のTC4016BPの回路のNo.14ピンに入力します。
写真の順送りスイッチは使っていませんが、タイマーをスイッチ代わりにすると、10個のLEDが順次点灯していきます。

写真の状態では、0.6秒間隔でLEDが左から右に流れていくのを繰り返します。 途中で左のリセットスイッチを押すと、一番左側に移ってから、再び、順に右側に移って点灯します。
手動スイッチではチャタリングの影響を受けましたが、このように、タイマーICを用いると定期的な周期でLEDが点滅移動します。
次のページでは、順次にLEDを点滅させることに使えそうな、シフトレジスターと呼ばれるIC「74164」について紹介しています。


