前のページで、デジタルICの10進カウンターICをアナログ的に使ってみる試みを紹介しています。
そこでの問題は、機械スイッチを使っているので、ノイズのために誤動作するために、結局、タイマーICを使って、そこそこ正常に動作させることができました。
このページでは、同様に、デジタルICの「シフトレジスタIC」のアナログ的な使い方ができるのかどうかをみていますが、結論的には、ブレッドボードに組んだ回路の問題もあって、思った動作ができていません。
私がやったところまでの内容を記事に残しておいて、機会を見て見直そうと思っていますので、中途半端な内容ですがご容赦ください。
シフトレジスターIC: TC74HC164AP
このシフトレジスターもデジタル回路でよく使われる東芝製のICです。
本来の使い方は、シリアル(1本線で連続する)デジタルデータを、パラレル(複数線)に変換するロジック(論理)ICで、LED点灯やモーター制御など多くの出力を増やす用途などに使われます。
ここでは、LEDが順番に流れて点灯させてみようということでやっていきます。
動作のしかた
このICはのデータシートには、8-Bit Shift Register (S-IN, P-OUT) と書いてあります。
ピン接続図の「シリアル入力 1番と2番ピン(AとB)」に電圧が入力されているときに、8番ピンの CK に「立ち上がり」の電圧が加わると、「準備完了信号」が内部レジスタに登録されて、クロックCK が立ち上がり、その度ごとに QA-QH の各ピンに出力されるという動作をする(これをパラレル出力と表現されています)… とデータシートに説明されています。
つまり、これはどうも、上の10進カウンタICと違って、手動で動作させるのは難しいようで、タイマーICを使った「クロック用のパルス」は必須のようです。
手動スイッチでは、個別に順送りしたり、手動でリセットすることはできても、LEDが移動点滅している状態で一時停止させること … などはいろいろな工夫がいりそうな感じです。
タイマーICなどによって、入力するクロックのスピード(周期)を変えれば、LEDが移り変わる速さが変えられますし、スイッチをONするタイミングでICの動作が始まると予想できます。
そうすれば、LEDの光が、順送りに流れていくような動作をさせることができそうです。
このICを使って、例えば、ドアを開けるとウエルカムボードのLEDの光が流れる … とか、手をたたくとスイッチが入って、光が順に点滅して、同時にハッピーバースデーの曲が流れる … というようなことができそうだというイメージです。
「シフトレジスタIC」をWEB検索すると、いろいろな型番の製品があり、「***164や***595」という型番が多く使われているようですので、ここでは東芝のTC74HC164APをつかって、アナログ的に、上で考えたような点滅順送りの動作が使えそうかどうか … を見てみることにします。

これは14ピンのICです。
一般的な使い方は、CK(クロック)端子に、上のタイマーIC「555」などを使って方形波を入力すると、たとえば、出力QA-QH にLEDをつないでいれば、QA→QB→QC … とLEDの光が流れていくような動作になるはずです。
機械スイッチではダメな感じですが、ここではまず、タイマークロックを使わないで、スイッチを使って入力をすることでどのような動作をするのかを見て、その後に、上で用いたNE555Pを用いたタイマー出力を8番のCKピンに入れる回路で点灯の様子をみて見ます。
(注)しかし、予想通りで、スイッチ操作では、スイッチのノイズの影響で、思ったように動作しませんでした。やった内容の紹介だけを残しています。
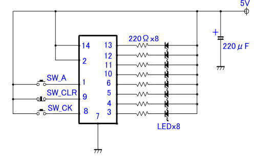
TC74HC164APの動作確認用回路例

この図で、SW_Aを押しながらSW_CKを押すとNo.3~No.13ピンのLEDが順番に光ってくれるだろう … という見通しで進めます。

しかし、ブレッドボードに回路を組んで動作させると、どうも動作が不安定です。
スイッチのチャタリングなのか、一定の動作をしてくれません。
この写真のように、ブレッドボードに部品を足の長いまま挿しているので、浮遊容量(寄生容量)も影響しているようで、手を近づけるだけで、次の動作をすることもあります。
ブレッドボードに組んだだけの回路ですので、対策も難しそうなので、手動のスイッチで動作させるのはいったん中止して、上で使った、NE555Pを使ったタイマーを用いて動作させてみることにします。
タイマーICを使って、作動させてみる

前のページと同様のタイマーICの「NE555P」を使った回路を追加しました。
右側がタイマー回路で、それを連結して動かしてみました。
作動をさせると、連続的に8つのLEDが順次点灯する動作を続けます。
そして、リセットボタンを押すと全部が点灯状態になり、通常動作に戻して動かせると、また、連続的に順次点灯する … という正常な動作をするので、一応は動作しているようです。
しかし、困ったことに、作動スイッチ押さなくても、手をスイッチに近づけるだけで「ON状態」になってしまいます。
これも浮遊容量の問題でしょうか? つまり、ブレッドボードで、足の長い状態で配線すること自体に、無理があるのかもしれません。
ともかく、一応の動作ができることを確認したので、これで、実験は終了にしました。
**********
![]() |
|
新品価格 |
以上のように、このTC74HC164AP はデジタルICですが、アナログ的な回路でも「使えなくはない」ということはわかったのですが、アナログ回路とは違った問題があるということにも遭遇しました。
他のページでも、デジタル用途の部品をアナログ的に使えるかどうかを試していますが、安価なICですので、みなさんもいろいろなことに挑戦していただきたいと思って、中途半端な内容ですが、この記事を残しています。


