【注】この記事は、電子工作を始める方の基礎的な内容です。
ここでは、NPNバイポーラトランジスタ2SC1815を使って、トランジスタの電流増幅についてみていきましょう。
このHP記事でのトランジスタは、主にこの「2SC1815」を使っていますが、トランジスタの特性や詳細を知ることよりも、「自分で使って何かができる」ことが目的ですので、最低限知っておくといい事柄を取り上げています。
もちろん、この型番2SC1815でなくても、いろいろなバイポーラトランジスタがつかえます。 互換性についてはこちらのページで取り上げています。
「増幅」とは、小さな電流の変化で大きな電流を変化させること
2SC1815は主に電流を増幅する用途に使用します。(スイッチングにも使用できるのですが、FETを使うほうが特性が優れるので、ここでは取り上げません)
「増幅」という言葉は、小さな電流をトランジスタに流すと、それが大きな電流に変えられる … というイメージを持つ方も多いのですが、そうではありません。
つまり、増幅とは、小さな電流をトランジスタに流して、それをコントロールすることで、電源から大きな電流を取り出す … というのが「増幅作用」です。
また、もう一方のトランジスタの用途の「スイッチング」とは、「無接点のスイッチ」のような作用です。
これは、小さな信号をトランジスタでコントロールして、無接点で大きな電流をON-OFFする・・・という動作をトランジスタで行います。
スイッチングの用途には、FET(電界効果トランジスタ)が多く使われるので、FETのところで取り上げます。
その他では、トランジスタで非常に大きな増幅をさせる方法の「ダーリントン接続回路」について知っておくといいので、こちらで取り上げます。
このページでは、よく用いられるNPNトランジスタ2SC1815の基礎的なことを知って、型番の違う、ほとんどの電力増幅用トランジスタも、同様に使えるということを見ていきます。
近年は、便利に使えるIC(集積回路部品)が多く出回っています。しかし、現状でも、簡単な回路の実験や大きな電力の増幅用には、トランジスタの出番が多いので、トランジスタの基本的な内容を知っていると役に立つでしょう。
![]() |
|
POPETPOP トランジスタキット 詰め合わせ 種類 トランジスタ み合わせ 電子工作用 部品 耐久性設計 軽量 持ち運び便利 収納箱付き 新品価格 |
![]()
バイポーラトランジスタについて
バイポーラトランジスタには、NPN・PNPの2種類があり、N型とP型の2種類の半導体を組み合わせた構造によって増幅作用ができるようになっています。(ここでは、原理や理論にはふれません)
電子素子としては昔からある種類のトランジスタですので、「トランジスタ」といえば、このバイポーラトランジスタを指しています。
ここでは、低電力増幅用の、ポピュラーで安価なバイポーラトランジスタを使って、LEDを点灯させる回路をつくって、トランジスタの特性の見方や選ぶときの考え方などを見てみることにします。

これが、このHPで使おうとする NPNタイプの 2SC1815 です。
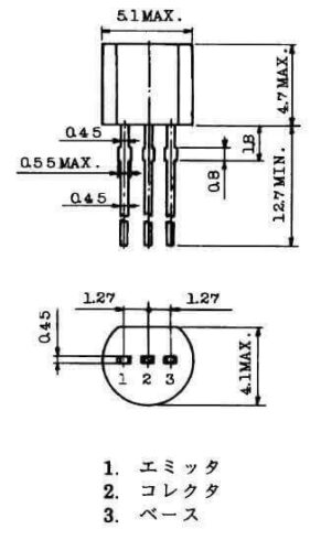
トランジスタを使うときは、その都度、書かれている型番を確認するのですが、トランジスタの型番によって、足の位置が違ので注意が必要です。
3本足の位置がわからなくないと、テスターなどで調べる方法もありますが、データシートを見ればわかります。
ただこれは、「足側から見た図」ですので、間違わないようにしましょう。(私は毎回、ノートに「足の図」を書くようにしています)
その下に書かれた「GR8C」の GR は電流増幅率の等級、8C はメーカーの識別コードです。
これらの表示については、この記事の工作では必要ないもので、使うときには、「型番(この場合は2SC1815であること)」が分かれば充分です。
2SC1815と同様の用途・仕様のトランジスタの種類はたくさんあります
それらは、特性が少しずつ違っているので、別々の型番になっています。
その中から最適な物を選ぼうとすると結構難しそうですが、データシートに「低周波増幅用」となっていて、用いる電源電圧や取り出す電流の大きさなどの、いくつかのポイントを抑えておけば、このHPで扱う電子工作では、ほとんど気にしないで使える … と覚えておいてください。
デリケートな部品なので、「データシートの絶対最大定格を超えないように使う」ということに気をつける必要があるのですが、(変な言い方になりますが)使い方を間違っても、爆発したり危険な状態になるものでもないし、安価な部品ですから、細かいことを考えなくてもいいでしょう。
なぜ電子工作では、 2SC1815 がよく使われているの?
2SC1815 を使う理由は、「多くの記事がこれを使っている」という、ポピュラーなトランジスタだからです。
どのような型番のバイポーラトランジスタでも、価格はそんなに変わらずに安価です。
だから、電子工作用途で使うのであれば、コレクタ電流が150mAしか流せない2SC1815 を使うよりも、もっと大電流が流せて、さらに周波数特性の良いNPNの製品(2SC2320、2N2222、など)を使うほうが良さそうなのですが、このHPも、他の記事との関連させやすいように、PNPでは 2SC1815 を、NPNでは 2SA1015 をメインに使っています。
現在販売されている多くのトランジスタは、純正品というものはほとんどなくなっていて、中国製のものが多いのですが、それらのサードパーティーで作られた製品でも、全く問題なく作動しますから、安価なものを購入するといいでしょう。

このように、型番が違うものでも、よく似た外観です。まず、型番を見て使うようにします。
この4つは、左から、バイポーラタイプのNPNの2SC1815、PNPの2SA1015、次がNPNの2SC945、一番右は、接合型の電界効果トランジスタ(JFET)の2SK30Aです。
このHPの記事でも、このような、トランジスタと同じ形で、全く用途の違う製品がでてきますので、私は、虫眼鏡を常備しておいて型番を見分けています。
「ディスクリート半導体」について
半導体を使ったトランジスタやダイオードで、ICの中に組み込んでいないで単体の部品として使うものを「IC(アイシー:集積回路)」と区別して「ディスクリート半導体」と呼びます。

写真のこれらは「IC」ではなく、ディスクリート半導体ですが、このように、部品の用途、形、大きさは様々ですから、外観だけでは、その製品が何なのかはわかりにくいでしょう。
これもやはり、表示を見て、型番を確認して、データシートを見て、それが何かを特定して使うようにします。
トランジスタは数種類を購入しておくと便利
電子工作をすると言っても、部品類はそんなに大量に使うことはありません。
こちらのページでこのHPの記事で使っている部品を列記しているように、数千円程度の出費で、かなりのことが出来ますし、トランジスターも、NPNの2SC1815とPNPの2SA1015を2-3個程度を準備しておくと、それだけで、いろいろな回路が組めます。
ただ、いろいろな部品が手元にあれば、いろいろやってみることが出来て楽しめるので、安価ですし、何かしようと思った時に「あると便利」です。
トランジスタの数種類セットがAmazonなどで販売されていますので、1セット購入しておくと、思いついたときに、いろんな実験ができます。私も下のようなものを購入しています。
15種x40個入で2000円以下でした
たとえば、何かやってみたいとひらめいた時に、各種のセンサー、トランジスタ、抵抗器、コンデンサのセットなどがあれば、ほとんどのことが「すぐに」できます。
こちらのページに、このHPで使っている部品類の一覧を書いています。それらを参考に、あらかじめいろんな部品を購入しておくのも一案でしょう。
ともかくここでは、NPNの2SC1815を使って内容を進めますが、同様の型番でなくても、「低周波電圧増幅用」「低周波電力増幅用」「NPN」の、2SA1832 TTB001 2SD1415 2SB962 … なども同様に使えます。 互換性は次のページで紹介します。
バイポーラトランジスタ 2SC1815 について
雑誌やWEBで紹介されている回路を組む場合は、とくに、細かい特性などを知る必要はありませんし、詳細の説明もされないことも多いのですが、「何Vまで使用できるか」「何Aの電流が流せるのか」「使用温度は?」などがデータシートに書かれていますので、データシートがあれば、使う時に見るクセを付けておきましょう。
データシートのほとんどは、WEBからダウンロードできます。
データシートに書かれた「絶対最大定格」は重要で、それを超えてはいけない数値です。
それを超えて使用するとトランジスタが破壊するので、データシートがあれば、最初に見ておくといいでしょう。
たとえば、2SC1815は、150mA程度までの電流が扱えることなどがデータシートで確認できます。
もしも、もう少し電流を流したいなら、愛大で500mA程度流せる 2N2222 2S5401 2N5551 S9013 … などの型番を使います。
2SC1815の データシートを読んでみましょう


データシートには、いろいろな表やグラフが書いてあります。
普段、私は、「用途」「コレクタ電流」「3本の足の配置」のところを見ている程度で、データシートがあることがわかっておれば、このHP程度の内容では、細かい内容は覚える必要もありません。
しかし、トランジスタを目一杯使おうとすると、データシートに書かれた数字が必要になるので、ダウンロード(または印刷)して、いつでもすぐに見れるようにしておくといいでしょう。
これらの見方や詳しい内容は、詳しくは触れませんが、自分で回路を作ったときに、思った結果にならない場合には、その原因を探るヒントになります。


ここでは、こんなものがある … ということをみておいてください。
実際の回路で「増幅」についてみてみましょう
「増幅」は、トランジスタに小さな電流を流して、電源から大きな電流を流すことでしたが、その様子は、下図の左の図のイメージです。
トランジスタの3本足の1つの「ベース」に小さな電流を流すと、電源VCCから大きな電流が、負荷→コレクタ→エミッタに流れます。
下右図は、LEDを点灯させるために、ベースに流す電流を、電源から取ってきて、電流を下げて「ベース」に流しています。

LEDを点灯させるために必要な電流は10mA程度ですが、ベースからエミッタに流す電流は、0.2mA程度でいいので、単純に計算すると、50倍以上の電流をベース電流でコントロールしているということです。
一般的には、トランジスタの「増幅回路」は、このような感じで使います。
NPNトランジスタ 2SC1815 の3本の足は コレクタ、ベース、エミッタ
トランジスタには3本の足があり、コレクタ(C)、エミッタ(E)、ベース(B)という名前で呼ばれます。

下の図は、データシートにあるグラフの1つで、ここではまず、IB を0から増やしていくと、コレクタに大きな電流が流れることが示されています。

X軸に張り付いている、 IB が「0」の線は、エミッタとコレクタに電圧が加わっていても、ベースからエミッタに電流が流れていない場合は、コレクタからエミッタに電流は流れない状態です。
それが、0.2mA程度の小さな電流がベースからエミッタに流れると、急激に電流が流れるようになり、エミッタとコレクタ100倍以上の電流が流れることが示されています。
例えば、3Vの電圧がコレクタ-エミッタ間にかかっていて、ベース-エミッタに0.2mAの電流が流れると、25mA程度の電流がトランジスタ内(コレクタ-エミッタ間)に流すことができるのです。
つまり、「小さな電流によって、電源から大きな電力を取り出すことができる」ということが示されており、これが トランジスタの増幅作用 です。
また、図では、エミッタが接地されているので、これを「エミッタ接地方式」と呼び、通常はこのように、エミッタを接地する回路にして使うのが一般的です。
このように、トランジスタは、Vccの電圧がコレクタとエミッタ間にかかった状態で、「ベース電流を変化させて、大きなコレクタ電流をコントロールする」という使い方をします。
LEDの明るさを調節する回路
ここでもう一度、上右のLEDを点灯する回路図をみてみましょう。
これはトランジステの増幅を利用する一つの例で、LEDを点灯させて、その明るさを、ボリュームで調整しようという回路です。
この回路では、LEDが点灯したときに、LEDで2Vの電圧降下があるとすると、オームの法則を使って、I=(5-2)/220≒0.014A の(最大)電流が 電源~LED~220Ωの抵抗器~トランジスタ に流れるので、LEDが点灯します。
その時に、ボリュームR3を回すことで、ベースに送る電流と電圧を調整すると、LEDの明るさが変化します。
つまり、データシートのトランジスタの特性をみると、ベースに流す電流が、0.2mAの電流量があれば20mA以上の電流が流す能力があるので、ボリュームで0~0.2mAに変化させれば、このトランジスタの回路は、LEDに流す電流を 0~14mA(最大値の14mAは、220Ωの抵抗で制限されている) に変化させて、LEDの明るさを変えて点灯させる回路になります。
このとき、0.2mAの電流で14mAの電流を得ることができるので、14÷0.2=70 倍の「電力増幅」をしているということです。 これを 電流増幅率 hFE といいます。
その回路中にある R2やR3 は、ベースに流れ込む電流の大きさを変えるためのもので、その抵抗値は計算で求めることができます。(少し詳しい説明や考え方をこちらのページで紹介しています)
![]() |
|
GOODCHI 金属皮膜抵抗器 抵抗セット 電子工作用 10Ω-1MΩ 600個セット 30種類 各20個 収納ケース付き 新品価格 |
![]()
ブレッドボードに回路を組んでみます
ベース電流を0~0.2mA程度で変化させるように計算して抵抗値を決めたのが下の回路図です。練習で、この回路を、実際にブレッドボードに組んでみましょう。

使う部品はこれだけです。

組み付け後に点灯させている様子です。

ボリュームを回すと、明るさが変化します。
こちらのページに、この抵抗値の決め方やこの回路の状態を実測した数値を示していますが、計算のページに書いているように、計算の考え方や数値の決め方はかなりアバウトですが、ボリュームでうまく明るさが変化しているので、目的は達成されているようです。
このように、電子工作でトランジスタを使って「何かをさせる」のは、特殊なことでも、難しいことでもない … ということを感じていただけるといいでしょう。



