前のページでは、バイポーラトランジスタ2SC1815を使ってLEDの明るさを変える回路を紹介しました。
ここで、使うトランジスタは、2SC1815 でなくてはならないということはありません。
低電力増幅用トランジスタであれば、同じように使うことができます。
それをみるために、何種類かの手持ちのNPNのトランジスタで互換性を調べてみました。(ブレッドボードに挿しやすいように、足を曲げています)

2SC1815以外に、NPNの電力増幅用であれば代替できる
前のページでは、一般的に使われることが多い、写真左の2SC1815 を使用しました。
Amazonでまとめて購入した安価なトランジスタセットの中には、NPN電力増幅用として、 2N2222、2N3904、2SC945 … などがセットの中にあります。
これらのどれでもが、代替して使えそうだ … ということをみていきましょう。

これらのトランジスタは、Amazonでのセット購入品(amazonのページへ)
を購入したもので、1つあたり5円以下と非常に安く、Amazonのページには、これと同じようなセットが数多く販売されています。 色々な実験をやりたい方はチェックするといいでしょう。
もちろん、これらの製品は、Made in China で、メーカーもはっきりしないものも多いのですが、不良品は全くありません。品質が安定していて問題はありません。
特性表から違いを比較してみましょう
下の表は、このセットのトランジスタについて、WEBからダウンロードした類似のデータシートから、いくつかの特性数字をピックアップしたものです。
このHPでよく使う2SC1815とその他の型番を比べると、仕様が似通っているというよりも、他のほうが優れているという感じです。
そして、高周波用のS9018やPNPでなければ、コレクタ電流値や増幅率が違いに気をつけると、低周波電力増幅用では、どれに取り替えても、問題なく使えそうな数値です。

これらが2SC1815と同じように使えるのかどうかは、データシートを見て一つずつ比較すればわかりますが、電力増幅用でNPNであれば、むしろ2SC1815よりも、電流に余裕があるので、どれでも使えそうですね。
念のために、データシートを確認します
WEBには、品番ごとの一般的なデータシートが公開されています。 使う場合はそれを確認するようにすれば安心です。
データシートは、英語表記が多いのですが、ある程度の内容はイメージでわかります。
1例ですが、東芝さんの2SC1815の日本語版と英語版の抜粋を対比できるように並べています。参考にしてください。

データシートから諸特性を比較してみました
いろいろなトランジスタの主要な特性値を書き出して表にしてみました。
あくまで、比較のための参考値です。
WEBで公開されている色々なメーカーのデータシートでも、微妙に数値が違っているものもあります。
これは、最大定格に近い極限の条件で使わない限りは気にすることもありませんし、このHPに書いている低電圧定電流での使い方では、どの型番を使っても、特に問題は起きないだろう … と考えてこの数字を見ていってください。
この表では、2SC1815 との違いをわかりやすくするために、その特徴的な部分を色付けしています。

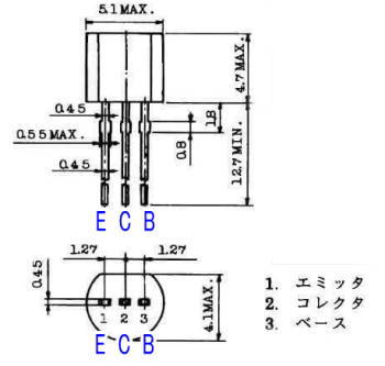
3本足の配置が違うことに注意!
まず注意する点は、1・2・3 と書いた3本の足の違いに注意が必要です。
3本の足が対応している E:エミッタ・B:ベース・C:コレクタ の位置が型番によって異なっていますので、使用するときには、データシートを見て確認しましょう。
![]() |
|
POPETPOP トランジスタキット 詰め合わせ 種類 トランジスタ み合わせ 電子工作用 部品 耐久性設計 軽量 持ち運び便利 収納箱付き 新品価格 |
![]()
実際に、違いがあるかどうかを実験してみましょう
前のページでも使った回路をつかって、コレクタ電流とベース電流を測定してみます。

このの 220Ωや33kΩ については、前のページで求めた数字を使います。
トランジスタの違いを見るためですので、まず、このような回路をブレッドボードに組んでみて、そして、いくつかのトランジスタを付け替えて、それぞれ2箇所の電流値を測ってみます。

同じ部品や計器部分はそのままにして、トランジスタだけを取り替えてみて、その結果が同じような値になれば、互換性があると考えていいはずです。
配線はごちゃごちゃしても、特に、トランジスタの型番ごとに、3本の足の配列が異なっていることを常に気をつけて接続しましょう。

どのデータシートも、このように裏側から見た図になっていますから、ブレッドボードにつけるときには、足(ピン)の位置を間違わないように配線をしましょう。(私は、よく間違えるので、毎回、ノートにこの絵を書くようにしています)
私の手持ちの5種類について測定した例です
私の測定したままの値ですが、上で使用した回路で、NPNの5つの型番について測定しました。
2SC1815 と、大電流が流せる2N2222、それとよく似ているけれど電流量が少ない仕様の2N3904、コレクタ損失の少ない2SC945、高周波用のS9018 を順番に取り替えて、テスターで2ヶ所の電流を測定しています。
その結果は次のようになりました。 増幅率は、「負荷電流/ベース電流」から計算したものです。

このように、若干の違いはありますが、このような小さな電力の測定値ですので、概ね、どれも同じような値になっていると言ってもいいでしょう。
つまり、トランジスタの仕様が似通っているなら、どれでも使うことができる … と考えていても問題なさそうです。
しかし … ここで、もう少し確かめておく必要があります。
負荷が大きくなるとこの数字がどうなるでしょうか?
今回は、LEDに流れる電流が13mA程度でしたが、前のページの最終で、2SC1815に約50mAを流した場合をみています。
すると実測では、コレクタ損失も全く問題なかったのですが、最大定格のコレクタ電流値が150mAになっていて、そこに50mAを流したのですが … 。
電流を流すとやはり発熱します。下は2SC1815のデータシートの図です。

この実験中に温度の測定はしていませんが、外表面で熱いと感じる温度ですから、内部の温度はそれ以上です。
2SC1815の仕様では125℃を超えるとトランジスタは破壊しますし、それまでにも特性低下は起きています。
そうすると、温度の制限で、流すことのできる電流も、コレクタ損失値も下がるでしょうから、最大定格値以内であっても、熱の対策をしないと使えない … ということです。
最大定格コレクタ電流値の1/2でもきつい感じですね。
少し大きな電流で利用するなら、2SC1815はもちろん、上表の仕様で、最大定格のコレクタ電流値の小さい、2SC945、S9018、S9014 なども使えません。
電流の熱作用で抵抗やトランジスタは発熱します
発熱量は「(0.24xAxVx秒)カロリー」ですが、それは、短時間では、そんなに大きいくないようですが、熱が滞留したり、周囲温度が高いと発熱による影響が出ます。
だから、トランジスタは、(ここでは示していませんが) 手でさわれない温度(約50℃)以上にならないようにして使うのが無難でしょう。
発熱の危険性は常に意識をしておきましょう
データシートの諸数字は 25℃のものですから、温度が高いと、性能が変わってくます。
そのほとんどは、性能が劣化します。
トランジスタの内部温度が高くなりすぎると(2SC1815は125℃で)、トランジスタが破損しますから、熱は非常に危険だということを、常に意識していないといけません。
そして、トランジスタも熱には弱いのですが、さらに、抵抗器のワット数と発熱にも気をつけておかないといけません。
例えば、5Vの電圧で100Ωの抵抗に電流を流すと、I=E/R から、5/100=0.05 すなわち、50mAの電流が流れるのですが、小さい電流のようでも、P=IE から、0.05x5=0.25W(250mW)という電力になります。
そうすると、1/8の抵抗器(1/8=125mW)では、発熱で焼き切れてしまうおそれがあります。
そして、10分間その電流を流すと、3.6kcal の発熱になるので、閉じ込められた断熱状態では、36mlの水を沸騰させてしまうぐらいの熱が出ていることになります。
抵抗器の大きさ(容量)は、ワット数の3倍の抵抗器を使いなさい(2倍という方もいますが)と言われるのはそのことのためです。
ともかく、電子工作の実験をするときには、部品を触ってみて、発熱していないことを確かめるクセを付けておくのは大切です。


