発振回路の基本型は、書籍にいろいろな回路が紹介されていますが、自分で回路を組んでみても、うまく発振してくれないことがしばしばあります。
また、書籍などの回路図には、抵抗値やコンデンサの値などが記載されていないものもあり、不親切だなぁ … と思うこともあるのですが、書籍では「考え方・やり方を示すので、自分でうまくやってね」というのでしょうか。
このページでは、部品数が少なくて、比較的に失敗がない「マルチバイブレータ回路」で、いろいろなことを試して「使い倒そう」 … という内容です。
もちろん、ここに書いた回路や内容は一般的なものです。 私の工作の仕上がり状態も、決して人に見せるような出来栄えではないのですが、ともかく、使えそうなところをアレンジして、自分なりの電子工作を楽しんでいただきたいと思っています。
マルチバイブレータはシーソーのような発振
下の図は、こちらのページで紹介したマルチバイブレーター回路の例です。

マルチバイブレータは、トランジスタ2つを「たすき掛け」に接続するような回路で、C1・C2の容量を変えれば点滅の周期が変わったり発振音の周波数が変わります。
ともかく、上左図では、R1・R2を33kΩにして、C1・C2を10μFの電解コンデンサにすると、2つのLEDが交互に点灯しますし、上右図のように、コンデンサの値をPF(ピコファラッド)まで小さくすると、発振周波数が上がって、スピーカーから発振音がでます。
ここでは、右側の回路をさらにアレンジして、LEDを使わない回路で、CやRを変えるとどうなるか … を試してみるために、回路を基板に組み付けるまでをやってみることにします。
このような自作の発振器をユニバーサル基板に組んで自分用に持っていると、簡易的な低周波発振器として、簡単にLEDを点滅させるなどで遊ぶことが出来ます。
もちろん、さらに色々と発展的に改造すると結構楽しめますので、ぜひ自作してみてください。
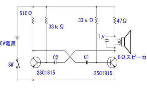
今回作ろうとしている発振回路はこれです

この回路の電源は、このHPで常時使っている 5V の定電圧電源です。 そして、トランジスタTr1とTr2は、このHPで常用している2SC1815 を使います。
小電力なので、トランジスタはNPNの電力増幅用であれば なんでも使えるはずです。(こちらのTrの記事も参照ください)
進める手順は、まず、これらの部品類の値を決めて、それをブレッドボードに組み、うまく動くのを確認してから、ユニバーサル基板に組んでみるといいでしょう。
![]() |
|
POPETPOP トランジスタキット 詰め合わせ 種類 トランジスタ み合わせ 電子工作用 部品 耐久性設計 軽量 持ち運び便利 収納箱付き 新品価格 |
![]()
部品の値を決める方法
理解している方はここはスキップしてください。
まず回路の値について、確認しながら進めます。
図の、R2とR3 は、コレクタ電流を制御するための、ベース電流の大きさを決める抵抗でしたから、その値は、こちらのページ で計算した抵抗値(33kΩ)を使うことで問題ないはずです。(さらに、20kΩ~50kΩであっても、問題はありません)
次に、2SC1815 の最大コレクタ電流は150mAですので、それ以下になるように R1とR4 を決めればいいですから、手持ちの抵抗器に47Ωがあったので、それを使うとすると、スピーカ(インピーダンス8Ω)側の Tr1 に流れる電流は、(概算ですが) I=E/Rから、5/(47+8)≒90mA となります。
音が大きすぎるようであれば、抵抗を大きな値にすればコレクタ電流が減るので、音が小さくなります。
例えば、47Ωではなくて、100Ωの抵抗器を使うと、5/(100+8)≒46mAで音が小さくなりそうですし、22Ωの抵抗器であれば、5/(22+8)≒167mAとなって、コレクタ電流が流れすぎるかもしれませんので、22Ωではダメ … という予測の計算ができますね。
さらに、5V・90mAが流れるのですから、5x0.09≒0.45Wになって、1/2Wよりも大きい抵抗器が必要になります。
しかし、私は手持ちがありません。
そこで、1/8Wの小さな抵抗器で、ブレッドボードに組んだ時に実測するのが手っ取り早いので、うまく測れるかどうかわかりませんが、ともかく、測定してみて、抵抗のワット数を決めることにしましょう。
次に、上の回路図で、スピーカのところにつけた コンデンサCs ですが、本来、マルチバイブレータによる発振はあまり品質の良いものではない(波形が安定していない)もので、周波数の変動やノイズも多いので、変な成分を除去するための「安心」のために付け加えているものです。 このあたりも、Csをつける良し悪しも確かめることにします。
当然、Csを大きくすると、出力波形はなめらかになりそうですが、逆に、出力される周波数にも影響するかもしれないので、1μFにしたのですが、このように、「エイヤァ」ということで決めていくことも出てきます。(こんなことは書籍にはほとんど書いていません)
そのようなこともいろいろな場面で出てくることを経験するのも大事なことと思って、これも自分で色々変えて見てその変化を測定してみることにします。
そうして仮決定したのが下の回路です
ここで、C1とC2をいろいろなものに変えてその音の変化を見ようというのが今回の目的です。
図2(完成形)
まず、ブレッドボードで動作させて、C1・C2だけではなく、その他のC・Rを変えてみた様子を紹介します。
以下の様子は、特にやって見る必要はありませんので、どんなものかだけを見ておいてください。
ブレッドボードに組んでみます
まずは、C1・C2を0.1μFにして、SWなしの全部品は、これだけです。

ブレッドボードに配線してみました

5Vの電源をつなぎます。連続音が鳴り響いたらOKです。
ここで、47Ωの抵抗器(とスピーカ)に流れる電流を測定すると、21mA でしたので、1/8Wの小さな抵抗器でも、全く問題ないことがわかりました。(もちろん、出力は直流ではないので、この測定値はいい加減ですが、ともかく測ってみると安心できます)
これをユニバーサル基板に組む前に、抵抗やコンデンサを変えてどのような発振状態になるのかを、オシロスコープで確認してみました。
もちろん、オシロスコープがなくても、出てくる音を耳で聞いて、下の数字を見ながら、その違いはわかります。
蛇足ですが、オシロスコープはあればかなり便利
オシロスコープは使い方も簡単で、電圧計のように使うだけで、簡単に波形で様子が見れます。 私は、2万円台の最安価帯のものを使っていますが、これがあるのとないのとは大違いです。こちらに記事がありますから、予算が許せば、購入をおすすめします。
そして、予算がなければ、安価なキットを自分で組み立てていいでしょうし、組み立て済みの最安価品でも、結構役に立ちます。 Amazonでの最安価品の例を、以下に紹介しておきます。
|
|
RとCを変えて変化を見ました
基準の回路図(C=0.1μ)の波形
ベースの抵抗を33kΩ、C1とC2を0.1μF、Csを1μF のときの波形はこのようなものです。(これがいい状態なのかどうかは分かりませんが、こんな波形です)
まず、コンデンサによる周波数の変化を見るために、C1とC2を0.01μと0.33μにした時の様子は次のようになりました。

次に、ベース抵抗33kΩを47kΩに変えてみました。 それらの数字を読むと次のようになっています。
CとRでの変化
これを見ると、C1・C2は発振周波数に大きく影響しているのがわかります。 そして、ベース電流を抵抗値の値を変えることによっても、周波数と出力電圧に変化が見られます。
ここでは、Cの値を変えることで、かなりの音程が変化することがわかりますので、次の段階で、ユニバーサル基板に配線するときは、簡単にコンデンサを変える仕組みを作ることにします。(ICソケットで差し替えるだけのことですが … )
つぎに、同様にCsについても、CsなしとCs=10μについて見てみると、下の表のようになりました。
出力電圧は低下は少なく、波形は、10μになると、なだらかになる程度で、大きな変化はありませんでしたが、Csがないと、かなりノイズが多いことがわかりますので、回路図のように1μを使ってノイズ除去をするようにしました。
Csによる変化
Csなしの波形
以上で、周波数変化は、C1・C2を変えることで大きく変化することがわかったので、それだけを可変できるようにして、その他は変えないでユニバーサル基板に組んでみます。
ユニバーサル基板に回路を組みました
特に部品配置などは、詳細に検討しないで配置してはんだ付けしていますので、裏の配線は交差して、あまりいい出来栄えではありませんが、楽しむためだけですので、これで良しとしています。
ここでは、簡単に周波数を変えることができる「低周波発振器」として使えるように、ICソケット(14ピン)を使って、いろいろなコンデンサC1とC2を抜き差しできるようにして、ユニバーサル基板に回路を組みました。(基板の寸法=約36x47mmと小さいものです)

行き当たりばったりで組み付けましたので、裏側は下のような、交差や継ぎ足しの配線が多いものになってしまいました。
14ピンのICソケットは、中央2ピンをフリーにして、3ピンずつを短絡させています。

このような仕上がりですので、紹介するのも気が引けますが、素人仕事なのでお許しください。
これで、「発振させる」という初期の目的を達成できました。
ちなみに、ICソケットのC1・C2に 1μから0.001μ のコンデンサを色々付け替えて、スピーカーの両端で、オシロスコープの周波数表示をみると、36Hz~22200Hzの発振をしているようですが、もちろん、この安価なスピーカでは一部の音しか聞こえません。
こんな簡単な基本回路ですが、その他にも、いろいろな遊び方ができそうですね。
さらに、スピーカーにも手を加えると音がよくなります
スピーカーについては、普段は、実験だけなので、スピーカーをむき出しのままで使うことが多いのですが、少し手を加えて下のようなケースに入れたところ、かなり、音が良くなりました。 これを参考にして、試してみてください。

そして、つきった基板にスピーカーをつないで、ICソケットにいろいろな容量のコンデンサを挿すと、発振音が変わります。 色々ちがったものを差し替えて試してみてください。
ここでは8Ω0.5Wの安価(購入価格100円程度)なスピーカを使っていますが、上の写真のように、家にあった塗り薬の容器に入れてやると、裸で鳴らすのとは違って、音がなめらかで大きい音で響くようになりました。
ケースに入れると、警報音や警告音のような大きい音量になります。是非、試してみてくださいね。

ここでは、ハンダゴテをつかって、プラスチックの青い蓋に小さな穴を開け、裏にスピーカーをボンドで貼り付けて、リード線を外に出すようにして、ピンで製作した基板に接続するようにしました。
記事は以上です。 ここでやっていることは、そんなに大した内容ではありませんが、電子工作の楽しいことは、計画して→検討して→自分で組み立ててみて→うまく動くようにする … という過程を楽しむことのように思えます。
最初のうちは、書籍やWEBの記事にあるものを作ることも楽しいのですが、次には、それをアレンジする楽しさを経て、何かオリジナルなものが作れるとさらに楽しい趣味になっていくでしょう。
ともかく、このような既存の回路をつかって、自分で1から手と頭を使って作ってみてアレンジすることで電子工作を楽しんでくださいね。




