この記事は、これから自由に電子工作を楽しみたい初心者の方に、型にはまらない電子部品の使い方を考えていただくヒントになるように書いているもので、専門的な内容ではありません。
7セグLEDは通常はデジタルで使うのが普通の使い方ですが
数字やアルファベットの一部を表示する7セグメントLED(ここでは「7セグLED」と表記)はいろいろなところに使われています。
これには、7つのセグメントとドットの、8つのLEDが組み込まれていて、通常はマイコンやデジタルICを使って点灯させるのが一般的です。
しかしここでは、下のような大きなLEDなども販売されているので、アナログ的に「表示器」などに使えそうですから、ここでは、ディップスイッチやデコーダICなどを使って、アナログ的な使い方を試してみましょう。(サイズの大きなLEDは5V以上の電源が必要なものも多いので、購入時は確認して購入しましょう)
![]() |
|
7セグ・高輝度赤LED アノードコモン 38×48mm 1個入<led-404> 新品価格 |
(注意)ここに書いたアナログ的な使い方は広く使えるものではありません。 何かのヒントになりそうなこととして書いている点をご承知ください。
アノードコモンとカソードコモンの2種類の7セグLEDがある
7セグメントLEDは輝度や色、大きさなどが違う、いろいろなものが販売されています。
ここでは、もっとも一般的な7セグLEDを取り上げてその様子や使い方をみていきます。
本来はデジタル回路で使うものなので、アナログ的な使い方では、せいぜい固定的な表示が精一杯です。
そこでまず、スイッチなどを使って、各セグメントを発光させて数字を作ってみます。
このような使い方であれば、例えば、ガソリンスタンドの金額表示のような表示のように、数字を固定して使う場合などでは、マイコンなどを使うよりも使い勝手がいい場合もあるかもしれませんので、何かのヒントにはなるでしょう。

基本的には、7セグLEDは、LEDの7つの棒(セグメント)とドット(小数点)を点灯させることで 0~9の数字や、疑似的なアルファベットを表示するようになっています。
まず、使い方を考える場合は、7セグLEDには、上のように、外観は同じで、接続方法が違う2種類のタイプがあるので注意しましょう。
カソードコモン(-側が共通)が一般的に使われています

このように、7セグLEDは、ドットをあわせて8つのダイオードでできています。
電流はアノード(+側)からカソード(-側)に流れることに注意して回路を組めばいいのですが、あとで紹介する「表示用のデコーダIC」を使う場合には、それに対応する7セグLEDは、「カソードコモン」のものが多いようですので、購入する際には気をつけましょう。
ともかく、初めて購入する場合は「カソードコモン」のものを購入するのが使い勝手がいいでしょう。Amazonの7セグLEDのページをのぞいてみてください。
7セグLEDの各セグメントを点灯させてみる
カソードコモンの7セグLEDで、各セグメントを発光させるには、1つのセグメントが1つのLEDですので、次のようにすればいいことがわかります。
7セグLEDは、10本のピンがあります。

多くのLEDの仕様は「2V・20mA」程度で点灯させますので、5V電源で使用する場合の電流制限抵抗は、オームの法則を使って計算すると、(5-2)/0.02=150Ω ですが、ここでは手持ちの220Ωを使っています。
このLEDは、高輝度でない普通タイプなので、電流をたくさん流しても、そんなに明るくならないので、抵抗値は厳密に考えないで、明るさを見て、150~330Ω程度の抵抗を使えば良いでしょう。
抵抗器を1つにすると、輝度に差が出る
このとき、上の回路のように、各セグメントの抵抗をつけずに、下図のように、1つに集約するとどうなるでしょうか?

数字を表示させる場合に、セグメント数でいえば、1を表示させる場合は2セグメントですし、8の場合では、7つのセグメントを使います。
この回路では、セグメントのLEDが並列につながれているので、(LEDの直並列のページでやったように) 2つのセグメントが点灯すると、電流は分配されて約1/2になり、8つのセグメントが点灯すると、約1/8になります。
つまり、点灯するセグメントが多くなればなるほど、分配されて1つのLEDにいく電流が小さくなるので、数字の一部が暗くなったり数字によって明るさの差が出る … と予想できます。
これを試してみました
下のように、左の「1」は2セグメント、中の「5」は5セグメント、右のは、ドットを含めて、8セグメント全部が点灯している状態です。

見たところ、そんなに明るさの違いがない感じがしますが・・・。
しかし、写真の露光を絞り込んでみると、下の写真のように、点灯しているセグメントの数が増えると、1>5>8 の順で暗くなっているのがわかります。

ただ、この程度の違いであれば、抵抗1本の回路でも結構使えそうかもしれませんが、普通は、各セグメントLEDごとに抵抗をつける方が無難でしょう。
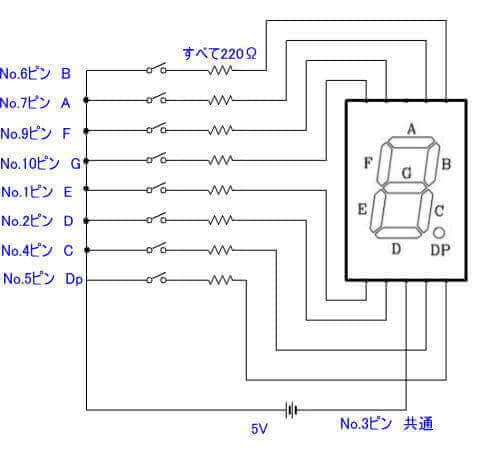
ディップスイッチを使って、1から9の数字を表示させる
数字を点灯させるためは、数字を構成するセグメントLEDに、電流を同時に流す必要があります。
ここでは、4桁のディップスイッチを2つ使って、セグメントごとにON-OFFすることで数字を表示させてみました。
この7セグLEDは、アノードコモン(+側が共通)を使っています。 3・8ピンがコモン(電源のプラス側)です。
ここではアノードコモンの7セグLEDを使っていますので、3・8のいずれかの端子を+5Vに接続すればいいことになります。

このように、1つの数字を表示させるだけでも、結構配線が多くなりますが、頻繁に表示を変えないのであれば、これで対応できます。
下は、3と5を表示させている時のスイッチの状態です。

このように、数字を表示する場合は、対応するセグメント部分のスイッチをONにします。Dpは小数点です。

これが数字とスイッチの対応表です。
例えば、写真左のように、「3と小数点」を表示したいのであれば、下の表にあるように、2・4・6・7・10ピンに対応するスイッチをONにすればいい … ということになります。
この方法を使うと、大きな7セグLEDの製品を使って、部屋番号を案内することなどに使えそうです。
数字を頻繁に変える必要がない用途では、手でスイッチをON-OFFしても、目的は果たせそうです。
ただ、1桁の数字だけでなく、桁数が増えると大変です。
そこで、一つの方法として、(このHPはアナログ中心でルール違反ですが)デジタルICを使って、スイッチの数を減らすことをやってみましょう。
デジタルというと、難しい感じがしますが、「これを使うとこんなことが出来る」・・・ということを説明しているだけですので、読み流していただいてもいいでしょう。
7セグデコーダIC「TC4511BP」を使ってみた
ここではデジタル用のICの「TC4511BP」というICを使っています。(ICは@100円程度です)
7セグLEDに使うICは、WEBで「LEDドライバIC」「7セグメントドライバ」などのキーワードで探すと、「7セグLED用のIC」が検索で出てきます。
それぞれで、点灯制御のための入力が4ビットであったり、16ビットになっていたり、接続できる7セグLEDの数の制限がある … などの違いはあるのですが、ここで紹介するようなアナログの用途にも使えますし、単価もやすいので、WEBでチェックしてみるといいでしょう。

ここで紹介するTC4511BPは、「BCDコード(二進化十進表現コード)」と呼ばれる、2進数4ビットの入力によって、10進数の0-9を表せるようになっているICです。(ここでは、聞き流してください)
これに、上のように、4PのDIPスイッチを使って入力してもいいのですが、ここでは「10ステップの正論理DIPロータリースイッチ(@100円程度)」というものを使ってみることにします。
このDIPロータリースイッチを使うと、1回転で0-9までの10進数が表示できるので、通常のDIPスイッチよりも便利な感じがしませんか?

ここではロータリースイッチを使った、こんな回路を考えました
ブレッドボードに組む回路は次のような感じです。

ロータリースイッチの端子1・2・4・8ピンは、ICの A・B・C・D のピンに対応しているので、図のように接続します。
このICにはピン接続図にあるようにデジタル回路に用いる余分な端子があり、デジタル回路では多彩な使い方ができるのですが、ここでは使わないので、データシートにある「真理値表」を参考にして、誤動作をしないように、上のように電源と接地端子に接続しています。
点灯させた様子です。

このICはDp(小数点)を扱わないので、上のように、それだけは5番ピンに電源を接続して点灯させてやる必要があります。(回路図の1点鎖線部分で、これは独立したスイッチを付けないといけないのですが、ここでは常時点灯させるようにしています)
このロータリースイッチを回すと、小数点と0123456789 の数字が表示されます。
これらの部品は高価なものではないので、気軽に遊んでみましょう
7セグLEDは、電子工作では、どこかで使ってみたい部品の一つです。
しかし、アナログ的な使い方に限定すると、この記事のように、結構、煩雑な配線をするので、少し使いにくい感じがあります。(もちろん、デジタル回路でも各ピンへの配線が必要なので、同じような配線になります)
ただ、このような考え方や使い方で点灯させていることを知っておけば、例えば、大きな表示板のブロックごとのLEDの点灯をコントロールするなどの場合のヒントになるでしょう。
【参考】 LEDもICなども、部品自体は高いものではありません。 ちなみに、私は、秋月電子さんで2023年に購入したのですが、 DIPロータリースイッチ(@50円)、7セグLED(@80円)、ドライバIC-TC4511BP(@80円)でした。少し値上がりしていますが、そんなに高いものではありません。


