前のページでは、FETの基本的な事柄を紹介してきました。
このページでは、いづてもNチャンネル型の2種類のFET(JFETとMOSFET)を使って、実際に回路を組んで、FETの増幅やスイッチングの様子を見て、実際に使ってみることをやっていきます。


JFETとMOSFETは全く別物です。
この2つのFETは年代物で、現在は廃番になっていますが、入手はできます。 しかし、2SK30Aに代わる、2SK117、2SK246、などの新しい製品があるし、また、2SK2231についても、2SK2232、2SK2312、2SK2313 などがあるので、入手しやすい新しい製品を使うようにするほうがいいでしょう。
特に使い方が変わるというものではないので、ここでは、この2種類で実験して動作などを確かめています。
JFETで間違った使い方をすると作動しないという例を紹介
最初から変な例の紹介ですが、「負電源」について、私自身もわかりにくかったので、それから紹介します。
まず、JFETは、少ない電流変化のものがほとんどなので、「JFETは使いにくそう」ですが、ここでは、LEDを点灯させるというおなじみの回路を作ってみます。
JFETのドレイン電流量は 3mA程度 ですが、これでもLEDは十分点灯しますから、JFETの動作を理解しやすいと思います。
まず、この図では、JFETが正常に作動しません
JFETを使うための回路を、今までやってきたバイポーラトランジスタのイメージで書いてみると、下のようなものができ上がります。右図は、回路の電流などを測ろうとしたものです。
ただし、この方法では、ゲートに「正電圧」が加わるので、この回路ではJFETは動作しません。
(これはダメな回路例)
この図では、「5V」の電源の電圧と電流を下げてJFETのゲートに加えようとしていますが、ここでは「負電圧」が必要ですから、この回路ではドレイン電流は制御できません。
負電圧は別に加える方法で …
負電圧を加える一つの方法としては、下の図のように、別の電源を使って負電圧を加えます。

これは、もう一つの別の電源を用いて、2つを合体させる方法です。 ここでは、図の、電源の極性を見ておいてください。
左の枠の部分が負電圧を供給する電源部分です。
そこで、この回路をブレッドボードに組んで、ゲート電圧・ドレイン電流を測定してみました。

ここでは、0Vのときに、4.1mAの電流が流れて、LEDが点灯しています。
ただし、このJFET単独では、これが目いっぱいの最大電流量です。
そして、ボリューム回して、負電圧を大きくしていくと、ドレイン電流量が減っていき、-2.22Vのときに、0mA となって、LEDは消灯します。
上の静特性のグラフとは少し値が違っていますが、電圧を下げていく(マイナス電圧を大きくする)とドレイン電流は減っていき、最終的には、ドレイン電流が流れなくなります。
JFETでは、まずこの、負電圧を加えるのが大変ですし、電流の変化も少ないという特性ですので、JFETを使って何かの簡単な工作をするのは、ちょっと使いにくそうだという感じがします。
これもあって、このHPでは、JFET単体で使うことは、やらないつもりです。
そこで、もう一つのFETの「MOS-FET」について見てみましょう。
MOS型FETの使い方は難しくない
ここで用いるMOSFETも少し古い型番の2SK2231 で、もちろん、新しい型番を使ってOKです。ここではこれで説明します。
ここでもお断りしておきますが、この記事の内容は、「このように使う」というものではなく、「バイポーラトランジスタと同じように使ってみたところが、このようになりました」というものです。
ともかく、使ってみる事が重要なので、ともかく、いろいろなことを試していきましょう。
まず、使う前に、絶対最大定格をを確認します。

5VでLEDを点灯させるだけですので、ともかく問題なさそうですね。
この2SK2231のようなMOSFETでは、5Aもの大電流を流すことができるものが多いので、モーターを回すなどの、いろんなことでの制御ができそうです。
しかし、使用時の温度が150℃を超えるとFETが壊れてしまう … という数字もありますから、大電流を流す場合は、放熱板などでの熱対策を頭に入れておかないといけません。
ここでは、mAレベルの小電流ですので、MOSFETは裸のままで使います。
また、MOS-FETのNチャンネルでは、JFETのNチャンネルと違って、負電源でなくてもいいので、電源電圧をそのまま利用して、ゲートに加えてやればいいので便利ですし簡単です。
下のグラフでは、ゲートソース間の電圧が2.5V以上の場合に、ドレイン-ソース間の電圧を変えた時のドレイン電流などが示されています。
これは、パルス電圧の場合のグラフなので、定常電圧と違っているのでわかりにくいのですが、いずれにしても、ゲートソース間にある電圧(たとえば2.5Vで0.5A流れるという状態では)、ドレインソース間に電圧がかかっていれば、ドレイン電流が流れることから、電圧で電流を制御するスイッチとして使えるはずだ … ということです。

ここでは、このグラフの見方もわかりにくいものなので、ともかく、バイポーラトランジスタを使ってLEDを点灯させる場合と同様に、バイポーラトランジスタをMOSFETに変えた場合で実際にどうなるのかをやってみます。
「ハイサイド」と「ローサイド」という言葉について
回路を決めて実験する前に、WEBの記事などでは、このハイサイド・ローサイドという言葉が出てくることがあるので、それを紹介します。
これは、下のように、FETのおく場所を基準に、負荷の位置を言うものです。

FETの上側(アースから遠い側)に負荷を置くのがローサイドです。
一般の電子回路では、電源電圧(回路の電圧)が一定でない場合も多く、共通のアースが取りやすように、ローサイドの回路が一般的です。
しかし、自動車の計装品などでは、バッテリーが1つで、車体がアースの場合は、いろいろな負荷をアースしやすいように、「ハイサイド」の回路が適しているとされていて、自動車の回路では、ハイサイドの回路 が組まれるようです。
ここでは、普通に「ローサードの回路」で考えることにします。
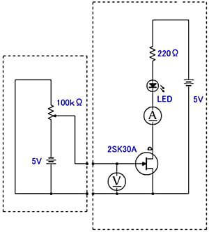
LEDを点灯させてみる回路例

これは、バイポーラトランジスタの時と同じように、ボリューム(100kΩ)を回して、ゲートに加わる電圧を変えた場合に、どういう状態でLEDが点灯するのかを見ようという回路です。
ここの220Ωは、MOSFETではたくさん電流を流す能力があるので、220ΩをLEDの電流制限抵抗として使っています。計算では、2VのLEDであるとすると、 (5-2)/220≒0.014A と、最大でも14mA程度しか流しません。
ボリームについては、ゲート電圧を可変できればいいだけなので、ここにある 100kΩ は適当に選んだもので、10kΩでも、1MΩでも問題ありません。
100kΩを使えば、A=V/R=5/100000=0.05mA の電流が流れます。 抵抗値を変えると電流値が変わるだけで、可変抵抗器にすることで、電圧は5V~0Vの間で可変できます。(この考え方はよくでてきますので、この意味を理解しておけば便利ですよ)

ボリュームを回した時の状況です。

ここでは、無負荷の電源電圧は4.94Vで、この回路でボリュームを回すと、ゲート電圧は0Vから4.89Vまで変化しています。
そのとき、約2.7Vにした時にようやく電流(ドレイン電流)が流れ始めて、そこでLEDが点灯し始めて、次第に電流が増加していき、約3.6V以上で、ずっと13.2mAが流れています。
つまり、ボリュームによって、ゲート電圧を連続的に変えているので、ボリュームに沿って電流が変化している電圧範囲が「増幅」に利用できますし、この場合では、ボリュームを使わずに、電流を十分に流すことができる電圧(たとえば3.6V以上の4Vなど)をゲートに「ポン」と加えれば、スイッチ的な動作ができることになります。
このように、MOSFETでは簡単に増幅とスイッチングの使い方ができるので、使いやすいと言えます。
次に、100kΩの可変抵抗を、CdSセルに変えてみて様子を見てみましょう。
![]() |
|
新品価格 |
![]()
CdSセルを使ってその様子をみてみましょう
こちらのページで使っているCdSセルは、光の明るさによって、250Ω~10MΩ程度まで大きく抵抗値が変化する部品で、電子工作では大変使いやすい部品です。
まずは、明るくなるとONになる回路で …



このCdSセルを使って、この図のように、上の100kΩの可変抵抗をCdSセルに変えて回路を組んでみると、写真のように、室内で少し明るい場所においていると、CdSの抵抗が下がって、ゲートに電圧がかかります。
そうなると、すでにドレインとソース間に電圧がかかっているので、13.2mAの電流が流れてLEDが点灯します。
つぎに、CdSセルを布などで覆って、徐々に暗い状態にしていくと、セルの抵抗が増すのでゲート電圧が下がり、この場合では、約2.6VでLEDが消灯し、ドレイン電流は0mAになりました。
これは、上で100kΩのボリュームを使ったときとほぼ同じように、CdSの抵抗変化で電圧が変化することを利用して、LEDが明るさによって点滅しました。
なお、ここでは示しませんが、回路にある電圧計を通して、ソースに電圧を落としているので、うまく動作していますが、電圧計をつけない場合は、抵抗器を付加するなどで、ゲート電圧をゼロにする工夫が必要になります。(バイポーラトランジスタのこちらの例では、アースに落としていますし、記事の後ろでも取り上げています)
もう一つ、暗くなると点灯する回路を考えてみます。
ここではLEDを点灯させているので、明るくなるとLEDが点灯するのではなくて、暗くなるとLEDを点灯させたいので、下のような回路に変更しました。
暗くなるとLEDが点灯するように回路を変える

ここでは、Rxの値を決める必要があります。
そのために、ここでは、ドレイン電流が取り出せる「ゲートしきい値」を思い出してください。
2SK2231のゲートしきい値は、データシートでは「2V」でした。 つまり、暗くなってCdSの抵抗が増えて、2V以上のゲート電圧になるようにRxを決めればいいことになります。
CdSが明るさによって、250Ω~10MΩに変化するとすれば、例えば、CdSが10kΩのときに3VになるRxは、 Rx/(10000+Rx)=3/5 から、Rx=15kΩ になります。
また、100kΩのときは Rx=150kΩ となるので、50~100kΩ程度の抵抗をつけるといいようです。
ここで、先にあった、『明るくなるとスイッチが入る』回路の場合では、抵抗器代わりになっていた電圧計を抵抗Rz とすると、CdSが10kΩで点灯させるには、10000/(Rz+10000)=3/5で、Rz≒6600Ω ですので、先ほどの回路で電圧計のかわりに、この程度の抵抗器を用いればいいということになります。
しかし、CdSの抵抗変化は非常に大きいので、抵抗値を厳密に考えて決める必要もなく、適当にやってみても、ほとんどは、うまくON-OFFしますので、一度試していただくといいでしょう。
*****
このように、CdSの抵抗値の変化を利用して、MOSFETを「スイッチ」として使用できます。
その他に何かできそうなことを考えてみよう!
ここまでのFETの説明は充分ではないのですが、MOSFETを使うと、結構、いろいろなところに使えそうな感じがつかめたのではないでしょうか。
数アンペアの電流を流すことができるMOSFETですので、バイポーラトランジスタ以上に、利用範囲は大きいようです。

スイッチとして作動させるためには、上図のようなイメージで使えそうです。(この図はイメージです。 実際の回路を考える場合は、ゲートソース間にしきい電圧を加える必要がありました … ね)
もちろん、製品として回路を組む場合は、安全やノイズ対策なども必要になります。
しかし、使い方の基本さえわかれば、それは色々改良していけばいいでしょう。
ただ、これを、「負荷の下に直接スイッチを付けても、同じだ … 」と考えてはいけません。
つまり、FETにスイッチの役目をさせるところが重要です。
つまり、バイポーラトランジスタの場合も同様ですが、小さな変化を与えることで大電流の負荷をコントロールする … というところに妙味があります。
基本的に、MOSFETは、電圧で機器(負荷)をコントロールできるので、ベース電流によってコレクタ電流をコントロールするバイポーラトランジスタと違って、様々なものに使えそうだ … という感じがすると思いませんか?
MOSFETはいろんなことに使えそう … ですね
身の回りを見回すと、スイッチやセンサーになりそうなものはたくさんあります。
上では、CdSセルを使った回路を考えましたが、サーミスタを使用すると、温度によるコントロールなどもできそうですし、また、窓辺にある金魚鉢にテスター棒を突っ込んで抵抗を測ってみると、40kΩ程度の抵抗値でしたので、水量の変化を捉えて、これも何かにつかえそう … ということなどが頭に浮かぶと思います。
例えば、対向する金属板2枚をスイッチ代わりに使って、水に浸かるか浸からないかで、水量コントロールすることなども思いつきますね。
この使い方をしようと予備実験をしたところ、水のないところでは抵抗値が無限大で、水が金属板まで来ると40kΩ程度まで抵抗値に下がることが確認できました。
40kΩの抵抗でも、そこにかすかな電流が流れるので、MOSFETを利用して、水量の調節などもできるでしょうし、水に浸かる面積で抵抗値が変化するので、水位などのコントロールにも応用できそうですね。
ちなみに、手を湿らせてテスターで「手~手の人間の体の抵抗」を測ると150kΩという数値でしたから、手の湿り方や握る強さで抵抗値が変化します。
これもMOSFETを使って何かできるかもしれません。
微弱な電流電圧であるようなら、バイポーラトランジスタでダーリントン回路を組めばいいのですが、FETで考えてみよう … などど、考えを発展させるのも面白いでしょう。
このHPでは、低電力の内容しか扱っていませんので、危険性は少ないですから、ちょっと部品を組み替えたりして、失敗を恐れないで、回路をアレンジして、いろいろ考えて試してみることを楽しんでいただけたらと思います。


