このHP記事は電子工作で使えそうな電子部品を、気軽に使うためのヒントにしていただこうと、誰でもが使えるように、実例を交えて紹介しています。
ここでは、デジタルICの「74HC4040・74HC4020」などのICを使っています。
これらのICは、バイナリーリップルカウンターICと呼ばれるもので、「カウンター」という名前がついているので、デジタルICの部類ですが、アナログの電子工作用として、タイマーやスイッチのような使い方ができそうなICです。

左は、このHP記事でしばしば使っているタイマーIC(555D)で、その右の2つが16ピンのカウンターICです。
ここでは、難しいことは省いて、東芝さんのデータシートを参考にして使い方などを説明していきますが、難しいと感じるところはナナメ読みして、ともかく、使って試していただきたいと思っています。
上の写真の、真ん中の 74HC4060 は、発振用のインバータが内蔵されていて、少ない外付けで部品で、発振回路が付加できるようになっています。
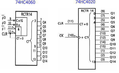
「74HC4060」は10個の出力がえられます。 また、「74H4020」は発振回路用端子がないことで、12個の出力がピンに出力されます。
「タイマー」のような動作で、入力するクロックの立ち下がり信号時に、その出力先が順次に切り替わる … というICですから、ここでは、他のページでも失敗していた、デジタルICに「機械的なスイッチ」を使ってタイミングを取ることはしないで、はじめから、タイマーICを使って入力する方法をしていきます。
![]() |
|
新品価格 |
![]()
カウンターを作動させる方法について
わかりにくようでしたら、ここはパスしてもOKです。
今回は、このHPでよく使う、上の写真左のタイマーICの「555」を使って、パルス周期のタイミングをクロックIC(74HC4040)の入力ピンに与えて、QA→QB→QC・・・と、各ピンに接続したLEDが、順次に時間差をもって点灯する … という動作をさせます。
このように、数(クロックの回数)を数えていくカウンターは「リップルカウンター」と言われています。少しデジタル的な内容ですが、下図の一番上にタイマーICの信号を入れると、その「ONの回数」で順番にピンの出力が出るようになっています。

このCK(バー付きのCK表示ですが、書けないので「CK」としています)は、入力するクロックの発振波形の例で、方形波の立ち下がりの時点のカウントをして、図のように、出力が順次に下の段に移っていく仕組みです。
この図は4段目までのON-OFFのタイミングを示しています。
クロック波形の1つ目のたち下がりでQAがONになり、2つ目のたち下がりでQAがOFFになるとともに、QBがONになり、3つ目のたち下がりでQBがOFFになり、QCがONになる … というように、時間の経過にともなって、順次にLEDが点灯~消灯していきます。
そして、下段になるほど、ON-OFFの間隔が長くなっています。
この図の例では、わかりやすいように、クロックはデューティ比(ON時間とOFF時間の割合)が50%のものとして書かれていますが、たち下がりのタイミングで進むので、クロックの波形は、そんなに気にする必要はありません。
入力するパルスの周期が1秒とすれば、QAは1秒後(クロックの1周期後)にONになり、2秒後(クロックの2周期後)にOFFになるし、4段目のQDの場合では、2(4-1)=8秒でONに、その8秒後にOFFになるし、N段目では、2の(n-1)乗後にONになる … という動作になります。
出力するまでの時間は、長さを調節したいピンにつないで、外部のタイマーの周波数を決めると、特定の時間にON-OFFする「タイマー」や「スイッチ」として使用できるということですから、これなら、デジタルだけでなく、アナログ的にも使えるというICですね。
注意する点は、これらはCMOSのICですから、内部でダイオードによる静電対策はされてはいるものの、静電気には注意しないと破損する可能性があります。
だから、ICに触れる時は除電してからICにふれる … という、CMOS-ICの基本的注意を忘れないようにして取り扱いしましょう。
私は、窓のサッシや床に敷いた導電ゴムに、手のひらを「ベタっとつける」ことをやっています。冬場の乾燥時が特に「怖い」のですが、これで、特に問題は起きていません。
74HC4020(発振用ピンなし) と 74HC4060

どちらも16ピンのICです。
左の4060は内部クロック用の端子(9・10・11ピン)があるのに対して、4020にはそれらがありません。
それに変わって、「4020」では、少し多くの「出力端子」が割り当てられています。
価格も安価で、私がこれらのICを購入した価格は100円前後の価格でした。
ピン配置図で、「Q*」と表されているのが出力端子です。
4020はQ1から始まって次はQ4になっていて、それから最後はQ14までの12出力であるのに対して、4060はいきなり「Q4」から始まって、Q11がなくて、Q14の10出力で終わっています。
東芝さんのデータシートを見ると、このICのように、Q1からQ4に飛んでいなくて、Q1→Q2→Q3→Q4 … と連続した出力端子のある74HC4040 というICがあるようですが、(私は購入していませんが) Q1からQ4に飛んでいるのは、16ピンに納める必要性と、短時間部分を切り捨てて長時間側に持っていって使い勝手を良くしたという配慮の様なので、(後で紹介しますが)発振回路の実験をするなら、この、74HC4060 のほうが、使いやすいような感じです。
この4020を使った感じでも、時間が急に飛んでいるという違和感はありません。
アナログ的な使い方で作動させてみましょう
東芝さんのデータシートが日本語で見やすいので、これに沿って使ってみます。

これは「論理図」と書かれた図ですが、結線図としてみていいでしょう。
1から15の番号はピン番号で、ここには、No.8のGND(アース)とNo.16の電源用のピン が表記されていませんが、回路を組むときは結線図で確認しましょう。
電源は、いずれも、2~6Vで使用可能ですので、このHPで常用している5Vの電源が使用できます。
4060ではNo.11ピンに、また、4020ではNo.10ピンに「タイマークロックの発振電圧」を入力するとICが動作します。
ここでは、74HC4060を使って、今まで使い慣れた555タイマーICを使ったクロックを入力しましょう。
555タイマーICを使ってクロックを入力します
データシートには、下のような発振回路の説明があって、ここのあるCR発振回路が使えれば、555タイマーを使う必要もないからとやってみたのですが、うまくいきませんでした。
このことについては、記事の後ろで少し紹介しています。

出力の様子はLEDの点灯で確認します
出力の電流は±25mAとなっていますので、直接にLEDを点灯できますから、ここでは、LEDを点灯させて様子を見ます。
もしも、時間タイマーとして、リレーなどの少し大きな電流を必要とする場合では、トランジスタを使って増幅すればいいので、そうなると、時限スイッチとして使えば、色々な使い方が考えられそうですね。
ここでは、下のような回路を考えました。

74HC4060は発振回路を内蔵していますから、ここでは、9・10番をオープンにして、何もつながずに、No.11番に外部のクロックを入力すれば 74HC4020 と同じように使えますから、ここでは、このHPでしばしば使っている、タイマーIC「555」を同電圧の5V電源で使って、その出力をクロック入力端子(No.11)に入力してその様子を見てみることにします。
下図のように、タイマーIC555の標準的な回路を使います。
方形波入力用の回路
なお、確認用のブレッドボードに組んだ回路では、LEDをすべて集合して、1つの220Ωの制限抵抗を使って回路を組んでいます。 このような感じです。



555からの発振周期を0.5秒以下にゆっくりにすると、LEDを左からQ4→Q5→Q6・・・→Q14と、規則正しい順番で右側の周期の長いLEDに移っていきます。
それを眺めていると、結構楽しいです。
0.5秒の周期では、1周期が全部完了するのが 214/2秒と、気の遠くなる時間がかかりますので、もっとクロック周期を早めて、適当な時間にしてみると、出力の端子順(4060ではQ4からQ14)に接続したLEDが、遅延しながら順次に点滅していくのがわかります。
タイマー時間設定については、こちらの記事を参考にしてください。
例えば、この「555を使った回路」で、R1=2.2k、R2=33k、C1=22μにすると、周期は1秒少しで、22μを0.1μに変えると0.05秒程度になりますので、タイマーICのR・Cを変えてその様子を見てください。
以上から、スイッチの時間設定をするには、半固定抵抗を使うなどの工夫がいりそうですが、タイマーIC「555」側でデューティ比を決めてやって、カウンターIC側で時間を選ぶことで、これらの「カウンターIC」はタイマースイッチとして使えますね。
74H4060の自己発振回路を使ってみる
最後に、上で示した、データシートにある、クロック発振(上に紹介)の、CR発振とX-tal発振を試したのですが、CR発振は不安定で、X-tal発振は、振動数が大きすぎるのでしょうか、これらはうまくいきませんでした。
CR発振で、下のように結線すると発振して、そして、カウンター動作もうまくいきましたが、少し不安定です。
写真のように、LEDは2つにした回路ですが、参考に紹介しておきます。


C=0.1μF、R=400kΩでは1秒程度の周期になりました。 また、50kΩでは、0.1秒程度の周期に、また、C=0.01μF、R=400kΩにすると、約0.1秒の周期でした。
半固定抵抗を使えば、目的の秒数に近づけて設定することができます。
ただし、この図のように結線すると、発振はするのですが、周期はやや不安定で、揺らいでいます。
CR発振なので、こんなものかもしれないですし、写真のように、宙ぶらりんの配線ですから、回路をテストされるときには、検討しながら進めていただくといいでしょう。
また、さらに、上のデータシートに紹介されている、Xtal(水晶発振子)で、10MHzのX-talを用いて、下図のRf=1kΩ、C1=C0=100pFでは、下の写真のように三角波に近いサイン波を発振しているのが確認できたのですが、周期が速すぎるようで、カウンターの方がうまく動作していないのか、点滅が早すぎて見えないのか、よくわかりません。
X-talはメガヘルツの振動数なので、このHPの内容では使いにくいので、これ以上深追いしませんでした。

以上、大雑把な内容での紹介ですが、74HC4040・4020などは、デジタル用のICという位置づけのものですが、これを、アナログ用途で使えるということで紹介したのですが、時間タイマーとした機能として使ったり、LEDの時間差点灯をさせるなどの、何かのアイデアが思いつけば使ってみると面白いと思います。
何よりも、ICの価格も100円程度ですので、いろいろ試してみるのも面白いでしょう。


